


Konstrukcija:
Samonoseća, u cjelini ostakljena, strukturalna, toplo izolirana fasadna konstrukcija od aluminijskih profila (Structural Glazing).
Geometrija profila:
Karakteristike sistema:
Horizontalni i vertikalni profili su »višekomorni« i mogu vršiti odvodnjavanje konstrukcije u tri ravnine što se postiže preklapanjem profila.
Strukturalni dojam postiže se strukturalnim IZO staklom, sa unutarnjim staklom 6 ili 8mm, međuprofilom 20mm i vanjskim 6 ili 8mm. Vanjsko staklo obavezno kaljeno i brušeno po obodu.
Vanjsko i unutarnje staklo ljepi se na specijalni međuprofil (distancer), širine 20 mm. Ovaj je profil eloksiran u tamnu bronzu, površine specijalno pripremljene za strukturalno ljepljenje stakla. Ljepljenje se vrši u ovlaštenoj staklarskoj firmi od strane DOW CORNING-a (silikonom DC 993) ili Wacker Cemie (SG 500). Ovako formirano IZO staklo kvači se direktno na aluminijsku noseću potkonstrukciju pomoću držača za kvačenje u jednoj ravnini i držača promjenjive geometrije za segmentirani dio fasade. Na ovaj način se postiže vidna širina konstrukcije sa unutrašnje strane od 50mm i na segmentiranom i na ravnom djelu fasade (bez ikakvih okvira osim na otvarajućim segmentima u vidnom polju).
Sa vanjske strane se ne vide aluminijske kape. Vertikalna i horizontalna fuga od 20mm se formira na dva načina:
1. sa silikonom (“mokro ostakljenje”):
2. sa EPDM brtvom:
Na kontaktu horizontalnih i vertikalnih nosača umetnuti dilatacione spužvaste gume, ne uže od 3mm, koje osiguravaju nesmetane dilatacije hor. profila uslijed temperaturnih promjena, a ne prelazi njihovu vizualnu granicu. Može se koristiti i PVC manžeta koja djelomično izlazi van vizualne granice horizontalnog profila. Spojnica na ovom mjestu je takva da spriječi eventualnu torziju hor. profila uslijed težine stakla. Pričvrščivanje za vert. profil izvršiti nehrđajućim vijcima sa čeone strane (Vijci koji služe za konekciju elemenata – interno, su od nehrđajućeg čelika klase A2).
Svi vijci za eksternu aplikaciju moraju biti od nehrđajućeg čelika klase A4. Inače, spojnice postoje za različite tipove montaže kao i različita opterećenja koja se prenose na osnovnu noseću konstrukciju. Na nastavcima vert. nosećih prof. postaviti PVC kanale koji osiguravaju vodoneproposnost u unutrašnjost profila. Na mjestu spoja zabrtvljeno Schüco Diht+ i Schüco Flex 2 brtvenim masama. Ovaj element ujedno dozvoljava nesmetanu dilataciju aksijalno slobodnog profila u spoju. Odvođenje vode iz primarnih kanala vrsiti PVC elementima u zonu izmedju stakala kroz vulkanizirani element na čijem se dnu nalazi otvor za odvod vode. Ovaj dio postaviti na svakih 8m ili 8 rastera maximalno. Na vrhu profila postaviti EPDM čep koji sprečava prljanje i eventualno začepljenje primarne odvodnje, tj. može dovesti do kapilarog efekta što sprečava nesmetano oticanje vode. U vrhove vertikalnih i horizontalnih nosača umetnuti politermidne termo izolatore izmedju držača za kvačenje stakla.
Moguće su konstrukcije sa vidnim pokrivnim kapama sa vanjske strane i to vertikalnim ili horizontalnim čime se postiže neki vid »polustrukturalne« vizure.
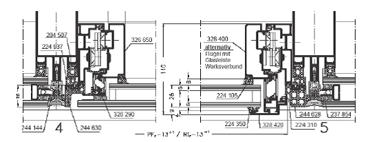
Detalj 5 predstavlja alternativu detalju 4, tj. izvedbu sa klasičnim IZO staklom umjesto strukturalnog. To je jednostavnije i jeftinije rješenje, ali sa vidljivim okvirom letvice stakla.
Područje uporabe:
Za vertikalne i kose fasade (do 8m bez dodatnog osiguranja) i krovne konstrukcije, manje staklenike, stepeništa, atrije i vezne hodnike.
Kombinirana fasada: